首页
关于稳畅
产品中心
新闻中心
常见问题
公司实景
资质认证
在线留言
联系我们
首页
返回
产品中心
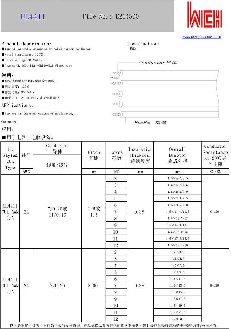
UL4411 XL-PE低烟无卤排线
信息详细
上一页:
UL4412 XL-PE低烟无卤排线
下一页:
UL4384 XL-PE低烟无卤排线
电话:
0769-85500878
邮件
地图
分享
留言
工业机器人用线
汽车用线
通讯线
拖链电缆
电子线
电源线
日本认证线
弹弓线
弹簧螺旋线
UL电源线
多芯线
音视频线
单芯屏蔽线
排线系列